Введение
Практика эксплуатации очистных сооружений на промышленных предприятиях показывает, что в большинстве случаев применяются реагентные методы. Эти технологии, как правило, позволяют удалить из сточных вод тяжёлые металлы и провести частичную нейтрализацию загрязнённой жидкости. Однако такие методы не устраняют легкорастворимые соли — к ним относятся хлориды, сульфаты, нитраты, фториды, аммиак, фосфаты и карбонаты. Эти соединения сохраняются в очищенной воде, из-за чего её невозможно использовать повторно в технологических процессах. В результате такие стоки направляют в промышленные коллекторы или сбрасывают в водоёмы, что вызывает негативное воздействие на экологию. Для эффективного удаления легкорастворимых примесей и возможности рециклинга воды может применяться метод термического обессоливания, обеспечивающий более глубокую степень очистки
Процесс выпаривания: что это и для чего нужен?
Выпаривание – это технологический процесс разделения жидких отходов на чистый дистиллят (конденсат) и концентрированный остаток за счет испарения воды под воздействием тепла
Ключевые задачи выпаривания в очистке стоков:
Сокращение объема отходов – уменьшение жидкой фазы на 70–95%
Обезвреживание – удаление токсичных компонентов (ионы металлов, аммиак, нитраты)
Рециркуляция воды – возврат дистиллята в производство
Снижение затрат на утилизацию – концентрат занимает меньше места и дешевле перерабатывается
Технология концентрирования жидкостей и уменьшения объёмов отходов
Выпарная установка — это промышленное оборудование, предназначенное для удаления влаги из жидких сред путём испарения.
Удаление воды осуществляется за счёт подачи тепла, которое заставляет жидкость переходить в пар, оставляя в системе концентрированный остаток. Процесс реализуется в замкнутом тепловом контуре, где циркулирующий теплоноситель передаёт энергию через греющую поверхность. Установка может применяться как для обезвоживания сточных вод, так и для получения концентратов или сухих веществ из исходных растворов
Назначение выпарной установки
Основная задача выпарной установки — снизить объём обрабатываемой жидкости, концентрировать или выделять полезные вещества и обеспечить безопасную утилизацию остатка
Это особенно актуально в отраслях, где образуются загрязнённые, токсичные или высокоминерализованные стоки. Благодаря высокой эффективности, установки позволяют уменьшить нагрузку на системы доочистки, сократить затраты на вывоз отходов и создать замкнутую схему водооборота
Виды выпарных установок
Существует несколько типов выпарных установок, каждая из которых имеет свои особенности и области применения. Ниже приведена подробная характеристика каждого вида:
Атмосферные выпарные установки
Работают при обычном атмосферном давлении. Просты в конструкции, но требуют высоких температур для испарения воды, что увеличивает энергозатраты. Применяются, когда состав раствора допускает нагрев без разрушения или разложения веществ.
Преимущества: надёжность, доступность, невысокая стоимость
Вакуумные выпарные установки
Работают при пониженном давлении, что снижает температуру кипения воды и позволяет испарять даже термочувствительные растворы. Чаще всего используются в промышленной переработке сложных жидких сред и сточных вод
Преимущества: низкие энергозатраты, бережное обращение с веществами, высокая степень концентрирования
Установки с естественной циркуляцией
Движение жидкости в них обеспечивается за счёт разницы температур и плотности. Просты в конструкции, но менее устойчивы к засорению, особенно при работе с насыщенными или кристаллизующимися растворами
Преимущества: отсутствие движущихся частей в контуре циркуляции, экономия на насосах
Установки с принудительной циркуляцией
В таких системах жидкость прокачивается через испаритель с помощью насосов, что обеспечивает равномерный прогрев и предотвращает оседание примесей на греющей поверхности
Преимущества: высокая производительность, возможность работы с вязкими, абразивными или загрязнёнными растворами
Одноступенчатые и многоступенчатые установки
Одноступенчатые — простые системы с одной стадией испарения
Многоступенчатые — используют тепло пара предыдущей ступени, снижая энергопотребление
Преимущества многоступенчатых систем: высокая энергоэффективность, снижение затрат на пар
Установки с выносной камерой сепарации
Аппарат с камерой, вынесенной из основного корпуса, позволяет более эффективно отделять вторичный пар от концентрата, особенно при высоких расходах
Преимущества: стабильная работа при переменных нагрузках, улучшенная степень разделения фаз
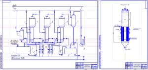
Базовая схема установки включает следующие элементы
Основной аппарат с камерой испарения
Греющая поверхность
Циркуляционный контур с трубопроводами и насосами
Сепаратор или пароотделитель
Конденсатор (если система с вакуумом)
Система автоматизации и шкаф управления
Все компоненты подбираются исходя из состава раствора, температуры кипения, агрессивности среды и предполагаемой производительности. Подбор материалов (нержавеющая сталь, титан, сплавы) критически важен для обеспечения срока службы и устойчивости к коррозии
Преимущества выпарной установки
Минимизация отходов – объём сбрасываемых стоков может сократиться в десятки раз
Возврат воды – конденсат может повторно использоваться в производстве
Утилизация ценных компонентов – извлечение металлов, солей и других веществ
Энергоэффективность – особенно в системах с многоступенчатым испарением или рекуперацией тепла
Надежность – высокая стабильность при правильно рассчитанной схеме
Автоматизация – поддержание режима без участия оператора
Принцип работы выпарной установки
Жидкость подается в испарительную камеру, где нагревается через греющую поверхность. Под действием тепла вода из раствора испаряется. Образующийся пар отделяется от жидкой фазы и поступает в блок конденсации, где превращается в дистиллят. Оставшийся концентрат отводится в накопительную ёмкость. В системе используется либо естественная, либо принудительная циркуляция, обеспечиваемая насосами. Процесс работает циклично и может быть полностью автоматизирован
Технические характеристики выпарной установки
Область применения выпарной установки
Металлургия – удаление и концентрирование тяжёлых металлов
Химическая и нефтехимическая отрасль – работа с агрессивными жидкостями

Пищевое производство – выпаривание натуральных концентратов и утилизация промывочных вод
Энергетика – снижение объёмов сточных вод на ТЭС и в котельных
Машиностроение – обезвоживание эмульсий и масел

Обслуживание выпарных установок
С течением времени, по мере снижения эффективности теплообмена, выпарной аппарат требует проведения химической очистки для удаления отложений накипи с теплообменной поверхности. Для этого в систему заливается специальный промывочный состав, после чего запускается циркуляционный насос, обеспечивающий его движение по контуру. Один и тот же раствор может использоваться многократно, а затем направляется на переработку вместе с основным раствором. Кроме того, в зависимости от степени загрязнения, но не реже одного раза в год, необходимо выполнять очистку шкафа управления







