Компания ГЕОН — надежный партнер промышленных предприятий в сфере водоочистки. Мы не просто поставляем оборудование, мы разрабатываем и внедряем комплексные инженерные решения для очистки стоков и подготовки воды любой сложности. От первичного анализа до ввода системы в эксплуатацию — мы берем на себя полную ответственность за результат
Одним из ключевых элементов наших технологических линий являются промышленные мешалки. В системах очистки они выполняют критически важную функцию: обеспечивают равномерное перемешивание сточных вод, реагентов и осадка
Роль мешалок в очистке:
Эффективность очистки напрямую зависит от качества контакта загрязнений с химическими реагентами. Мешалки предотвращают выпадение осадка, усредняют состав стоков и поддерживают твердые частицы во взвешенном состоянии, что позволяет добиться равномерного протекания всех физико-химических процессов. Без надежного перемешивания невозможна стабильная работа усреднителей, флотаторов, отстойников и резервуаров-накопителей.
Виды мешалок, которые мы производим и устанавливаем:
Понимая, что каждое производство уникально, мы предлагаем оборудование, адаптированное под конкретные задачи заказчика:
Мешалка пропеллерная, пропеллерного типа: Идеальное решение для растворения реагентов и смешивания жидкостей с различной вязкостью в усреднителях и резервуарах чистой воды. Обеспечивают интенсивный осевой поток.
Лопастные мешалки: Применяются для бережного, но тщательного перемешивания больших объемов жидкости. Незаменимы в процессах, где важно не разрушить образующиеся хлопья (например, в камерах хлопьеобразования).
Турбинные мешалки: Высокоэффективное оборудование для сложных сред. Используются в процессах приготовления и дозирования рабочих растворов реагентов, где требуется высокая турбулентность и диспергирование.
Рамные мешалки: Специализированное решение для предотвращения осаждения тяжелых частиц на дне отстойников и шламосборников. Обеспечивают перемешивание густых и вязких осадков.
Статические перемешиватели (в трубопроводах): Не имеют движущихся частей и используются для мгновенного смешивания потоков реагентов с водой непосредственно в трубопроводе перед поступлением в отстойники.
Мы понимаем, что промышленный объект требует строгого соблюдения норм. Поэтому, поставляя оборудование, мы предоставляем заказчику полный пакет официальной документации:
Сертификаты соответствия и разрешительная документация
Детализированные рабочие чертежи и 3D-модели для интеграции в существующие системы
Паспорта оборудования и руководства по эксплуатации
Гарантийные обязательства и сервисная документация
Пропеллерная мешалка (или мешалка пропеллерного типа) — это высокоскоростное устройство, предназначенное для интенсивного перемешивания жидких сред. Основная область применения мешалки — работа с маловязких жидкостей, растворами, суспензиями и эмульсиями в химической, фармацевтической и пищевой промышленности (например, при производства соков и напитков или изготовления физрастворов). Благодаря своей простой конструкции и малой мощности, мешалка часто используется для растворения осадка и взмучивания твердых частиц.
Основной рабочий орган такой мешалки представляет собой винт (пропеллер), обычно с двумя тремя лопастями. Лопасти мешалки могут быть плоскими или иметь сложную пространственную форму. Часто лопасти изогнуты профильно, чтобы обеспечить максимальный КПД при вращении. По своей сути, рабочий орган напоминает гребной винт и работает по тому же принципу: при вращении он создает осевые потоки жидкости.
В зависимости от задачи, пропеллерные мешалки могут устанавливаться на валу в один или несколько ярусов. Устройство мешалки также включает в себя привод (электродвигатель), редуктор или частотный преобразователь для регулировки числа оборотов, и узел уплотнения вала (чаще всего сальниковое уплотнение), через который вал входит в аппарат. Вращение передается на вал, установленный в опорах в корпусе подшипника.
Вертикальные мешалки пропеллерного типа
При вращении пропеллера перемешивающее устройство (мешалка) с большой скоростью ( частота вращения может достигать 1000 об/мин и более) лопасти захватывают жидкость и отбрасывают её. Благодаря наклону лопастей возникает осевое давление. Жидкость не только вращается, но и активно перемещается вдоль оси вала, обеспечивая высокую интенсивность перемешивания во всем объеме аппарата
Под действием центробежной силы жидкость отбрасывается к стенкам сосуда, но основной вклад вносит осевое движение
Для улучшения циркуляции часто применяется мешалка с диффузором — направляющим аппаратом, который позволяет организовать движение жидкости в радиальном направлении более эффективно, особенно в аппаратах с большим отношением высоты к диаметру
Хотя основная классификация делит типы мешалок на лопастные, турбинные и пропеллерные, внутри класса пропеллерных мешалок также есть разделение:
Стандартные трехлопастные мешалки: наиболее распространенный тип, обеспечивающий хороший напор
Винтовая мешалка: разновидность пропеллерной, где лопасти идут по винтовой линии
Мешалки с изменяемым углом атаки: позволяют менять интенсивность перемешивания без остановки привода
Импеллерные мешалки: часто путают с пропеллерными, но они имеют другую геометрию лопастей и предназначены для создания сдвиговых усилий
Все эти типы мешалок, имеющие осевой поток, работают наиболее эффективно в средах с низкой вязкостью. Для вязких жидкостей лучше подходят турбинные мешалки или специальные мешалки лопастного типа
На странице представлены чертежи в распространенных инженерных форматах: AutoDWG (DWG) и Компас (FRW и CDW). Для ознакомления также доступны чертежи в формате PDF, которые можно посмотреть без специального ПО.
Это обозначение спецификации и исполнения. Как правило, первая часть (до точки) — это индекс модели или сборочной единицы. Цифры после точки обозначают номер сборочной единицы, а буквы — тип документа (ВО — чертеж общего вида, СБ — сборочный чертеж, ДЭ — документ эксплуатационный).
На чертежах общего вида видно, что трехлопастная мешалка (обычно с углом наклона лопастей 24°) создает более интенсивный осевой поток и используется для интенсивного растворения или теплопередачи. Двухлопастная мешалка (часто с углом 45° или регулируемым шагом) создает более щадящий поток и подходит для поддержания частиц во взвешенном состоянии.
Для санитарных и пищевых производств (обозначается знаком Ra <= 0,8 мкм) требуется полировка для легкой очистки и предотвращения налипания. Для химически агрессивных сред (Ra = 2,5–1,25 мкм) допускается более грубая обработка, но важно покрытие (гуммирование или эмаль), отметка о котором выносится в технические требования.
На сборочном чертеже (СБ) или чертеже установки обязательно указывается привязка оси вала мешалки к оси аппарата. Эксцентричное расположение (смещение оси) обычно обозначается размером "Е" или отдельным выносным элементом, показывающим крепление привода на крышке или специальной опоре, чтобы избежать образования воронки.
Полупогружные мешалки — это перемешивающие устройства, большая часть которых погружена в рабочую жидкость. Это позволяет уменьшить волновое воздействие на корпус мешалки и снизить воздействие агрессивной среды.
Исходными данными для расчета служит техническое задание, в котором указаны свойства перемешиваемой жидкости и необходимый результат (растворение, эмульгирование, поддержание во взвешенном состоянии твердой фазы).
Основные этапы расчета:
Определение числа оборотов: Для создания осевого потока необходима высокая рекомендуется частота вращения (обычно от 300 до 1500 об/мин). Расчет ведется исходя из обеспечения турбулентного режима.
Расчет мощности привода: Мощность зависит от плотности среды, частоты вращения и диаметра пропеллера. Для конструкции и малой мощности (лабораторные или пилотные установки) используются стандартные мотор-редукторы малой мощности.
Расчет вала: Проверяется на прочность, жесткость и виброустойчивость (критическая частота вращения вала). Длина вала может быть значительной, поэтому важно учитывать направление движения потоков, чтобы избежать изгибающих нагрузок.
Выбор уплотнения: Для герметизации вращения пропеллера используется сальниковое или торцевое уплотнение.
Пройдите короткий опросный лист, чтобы наш менеджер помог вам с подбором, рассчитал цену, сроки доставки и передал информацию технологу для разработки документации и чертежей
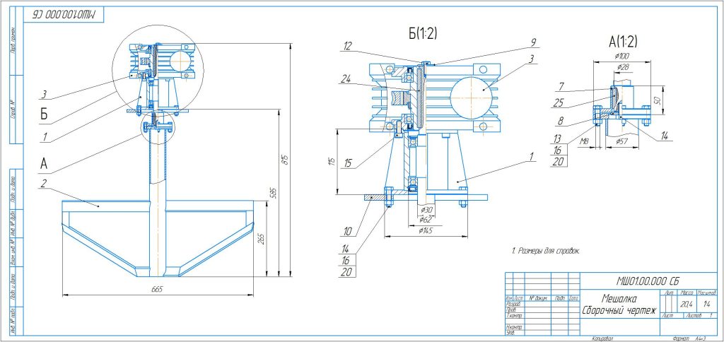
При проектировании мешалки ключевую роль играет сборочный чертеж, который содержит:
Габаритные и присоединительные размеры мешалки
Диаметр мешалки (или диаметр винта) — обычно составляет от 0,25 до 0,4 от диаметра аппарата.
Схему движении жидкости
Спецификацию и материал исполнения (чаще всего нержавеющая сталь 12Х18Н10Т для пищевых и агрессивных сред, либо конструкционная сталь Ст3 для общих задач)
Узлы уплотнений и подшипниковые узлы
На рис. чертежи мешалки якорной
Нужна боковая мешалка с редукторным двигателем пропеллерная? Подберем нужную модель!
Мешалки создают интенсивную циркуляцию, что делает их идеальными для:
Приготовления эмульсий и суспензий.
Ускорения химических реакций.
Растворения и взмучивания осадок в жидкости.
Процессов теплопередачи (при наличии рубашки или змеевика).
Их популярность благодаря простой конструкции и малой стоимости очень высока. Пропеллерная мешалка находит применения благодаря простой конструкции и надежности в самых разных отраслях: от производства соков до биотехнологий. Мешалки изготовляются серийно, и их можно легко адаптировать под конкретную емкость.
