Надежные решения для промышленности
Компания ГЕОН более 10 лет производит и устанавливает промышленное оборудование для очистки стоков и воды на предприятиях. В составе наших технологических линий — надежные мешалки, без которых эффективная очистка воды и стока невозможна
Зачем нужны мешалки?
Чтобы реагенты не работали впустую, а стоки не разделялись на фракции. Мешалки создают равномерную среду, ускоряя химические реакции и не давая осадку залеживаться
Какие мешалки вы можете заказать:
✅ Пропеллерные — для усреднителей и растворения реагентов.
✅ Лопастные и рамные — для бережного перемешивания больших объемов и густых осадков.
✅ Турбинные — для интенсивного смешивания в сложных средах.
✅ Статические — для мгновенного смешивания в трубах.
Якорная мешалка
это оборудование, предназначенное для эффективного перемешивания высоковязких жидкостей и пастообразных материалов. Применяется в химической, пищевой, косметической и фармацевтической промышленности для получения однородной структуры продуктов, таких как кремы, пасты, гели, мастики и прочие смеси с высокой вязкостью.Применяется в химической, пищевой, косметической и фармацевтической промышленности для получения однородной структуры продуктов, таких как кремы, пасты, гели, мастики и прочие смеси с высокой вязкостью
Якорные мешалки используются для перемешивания вязких жидкостей и суспензий в емкостях и реакторах. Их основное назначение — обеспечить однородность среды, предотвратить осаждение твердых частиц и улучшить теплопередачу при нагреве или охлаждении
Ключевые задачи якорных мешалок:
— Перемешивание высоковязких и пастообразных продуктов (например, кремов, гелей, сиропов, полимерных масс)
— Поддержание равномерной температуры по всему объему за счёт движения жидкости вдоль стенок (особенно важно при наличии рубашек нагрева/охлаждения)
— Удержание твердых частиц во взвешенном состоянии в случае суспензий
— Предотвращение прилипания продукта к стенкам и дну сосуда
Обычно якорные мешалки имеют форму каркаса, повторяющего форму емкости, и вращаются с относительно небольшой скоростью
Одной из особенностей якорной мешалки является форма рабочего органа — лопастные элементы или рама в виде якоря
Это позволяет равномерно перемешивать даже плотные и вязкие массы, минимизируя образование застойных зон. Часто такие устройства комплектуются скребковыми элементами для удаления налипающих остатков со стенок реакторов или емкости. В зависимости от типа среды и задач, мешалки изготавливаются из различных марок нержавеющих сталей или углеродистых сплавов
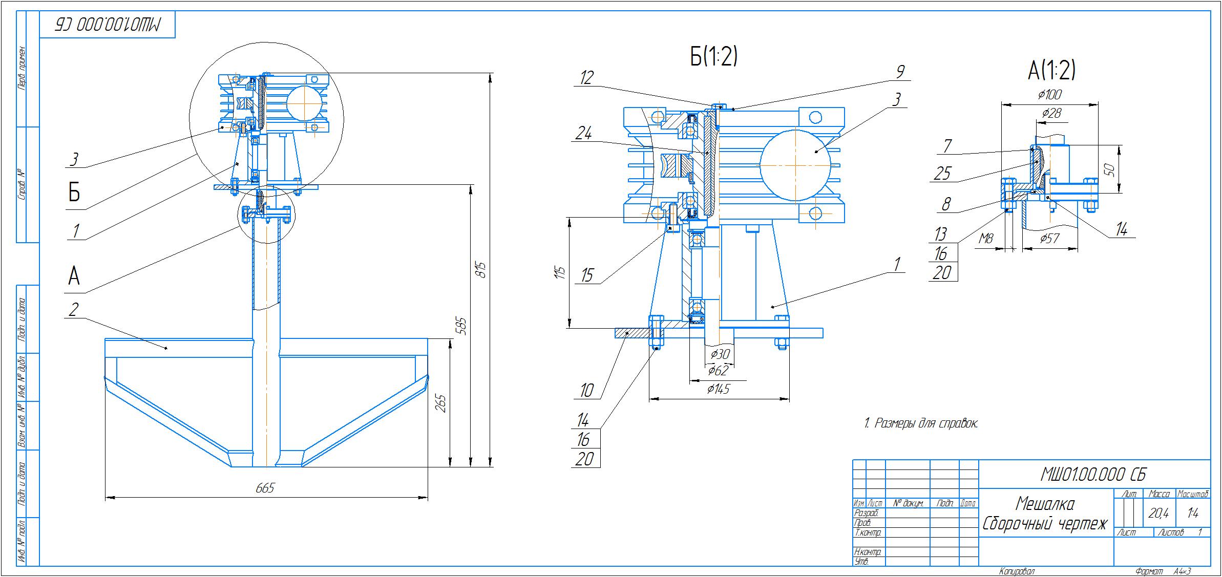
Конструкция якорной мешалки включает:
— Приводной блок с электродвигателем
— Опорные узлы
— Основной вал
— Рабочий орган рамного или лопастного вида
— Уплотнительные элементы
— Дополнительно — скребковые устройства для очистки стенок
Все компоненты устройства изготавливаются с учетом характеристик рабочей среды и требований к процессу. Конструкция может быть адаптирована под конкретные задачи и тип емкости
Мешалка запускается за счет передачи вращательного движения от двигателя на вал, который приводит в движение рамный или лопастной рабочий орган. При вращении орган создает интенсивное движение среды, обеспечивая ее циркуляцию по всему объему емкости или реактора. Это способствует разрушению осадков, ускорению теплообмена и равномерному распределению компонентов в рабочем объеме
Монтаж устройства осуществляется специалистами с учетом особенностей емкости или реактора. Установка предполагает крепление корпуса и вала, а также проверку герметичности и настройки перед запуском. Техническое обслуживание заключается в регулярной проверке состояния лопастных элементов, целостности вала и системы привода. При необходимости проводится замена изношенных частей
Заполните короткий опросный лист, чтобы мы помогли вам подобрать мешалку, рассчитать стоимость и сроки доставки
Обследование
Устанавливаем степень изношенности оборудования, определяем уровень эффективности и необходимость обновления системы, даем профессиональные рекомендации возможностях и вариантах модернизации очистных сооружений
Проектирование
Производим расчет показателей по степени очистки хозяйственно-бытовых сточных вод, разрабатываем проектную документацию, берем на себя все этапы по согласованию точки сброса и получению разрешения на строительство очистных сооружений
Производство
Изготавливаем очистные системы по вашему техническому заданию, дополнительно комплектуем станции необходимыми модулями очистки, датчиками и системами автоматизации и диспетчеризации
Доставка
Осуществляем доставку очистных сооружений любым видом транспорта в пределах России и стран СНГ, что позволяет нам оперативно осуществлять монтаж и ввод оборудования в эксплуатацию
Монтаж
Наша команда может совершить монтаж очистных сооружений на вашем объекте, подготовить котлован, установить резервуары, подвести инженерные коммуникации
Шеф-монтаж
Предоставим специалиста, который проконтролирует правильность выполнения монтажных работ и соблюдением норм, обучит персонал управлению оборудованием и предоставит регламенты для правильного обслуживания и своевременного ремонта очистных сооружений
Пусконаладка
Настроим оборудование для качественной непрерывной работы, проведем тестовый пуск системы очистки хозяйственно-бытовых сточных вод, зафиксируем результаты запуска в рабочей и закрывающей документации
Мы производим и устанавливаем следующие типы якорных мешалок:
Это решение предназначено для монтажа на боковой стенке резервуара. Такая конструкция оптимальна для больших открытых бассейнов, отстойников или накопителей, где установка сверху невозможна или экономически нецелесообразна. Боковая якорная мешалка создает направленный поток вдоль стенок и днища, предотвращая образование застойных зон и эффективно перемешивая содержимое по всему объему. Идеально подходит для усреднителей и резервуаров-накопителей большого объема.
Классическая конструкция с верхним расположением привода. Устанавливается строго вертикально в центре цилиндрических резервуаров с коническим или сферическим днищем. Вертикальная якорная мешалка обеспечивает медленное, но мощное перемешивание по всей глубине, а специальная форма лопастей соскребает осадок со стенок и днища, направляя его в зону выгрузки. Широко применяется в резервуарах-накопителях шлама, осадкоуплотнителях и при хранении густых реагентов.
Главная особенность – работа на предельно малых оборотах. Это позволяет бережно перемешивать высоковязкие и склонные к разрушению среды, такие как сгущенные осадки или флокулы после реагентной обработки. Низкая скорость вращения исключает излишнюю турбулентность, сохраняя целостность хлопьев и обеспечивая максимальную эффективность последующего обезвоживания. Незаменима в технологиях физико-химической очистки.
Синоним тихоходной, акцентирующий внимание на сниженной частоте вращения. Это идеальный выбор для длительного непрерывного режима работы, когда требуется поддерживать гомогенность среды без расслоения. Низкоскоростная якорная мешалка успешно справляется с перемешиванием больших масс жидкости с высоким содержанием твердых частиц, предотвращая их осаждение и слеживание. Применяется в усреднителях, шламосборниках и резервуарах перед подачей на фильтры.
Универсальное решение, сочетающее в себе профиль якорной мешалки с возможностью работы на повышенных оборотах. Такая конструкция применяется в тех случаях, когда требуется не только предотвратить осаждение, но и интенсифицировать процессы растворения, диспергирования или теплообмена. Часто комплектуется дополнительными турбинными лопастями на валу. Высокоскоростная якорная мешалка эффективна в узлах приготовления рабочих растворов реагентов и смешения сред средней вязкости.
Обычно для изготовления используют нержавеющую сталь марки AISI 304 или 316, которая устойчива к коррозии, химическим воздействиям и обладает высокой прочностью
При правильной эксплуатации и своевременном обслуживании якорная мешалка может служить десятки лет. Гарантия на оборудование зависит от производителя и модели
Да, предлагаем индивидуальные решения, включая подбор материалов, размеров и дополнительных функций, чтобы оборудование соответствовало вашим производственным требованиям

