Не нашли что искали? Заполняйте небольшую форму по кнопке ниже и наш специалист свяжется с вами для подбора оптимального решения!
Современные очистные сооружения используют разные типы отстойников, в зависимости от характера сточных вод, требуемой степени очистки, объемов и специфики объекта. Каждый тип отстойника имеет свою конструкцию, принцип работы и область применения
Горизонтальные отстойники — это резервуары прямоугольной формы, где сточная вода движется вдоль по горизонтали с малой скоростью, а взвешенные частицы оседают на дно по мере продвижения.
Вертикальные отстойники — цилиндрические резервуары с вертикальным потоком воды и коническим днищем для сбора осадка. Вода поступает снизу и поднимается вверх, осветляясь в процессе
Радиальные отстойники — круглые резервуары с радиальным (от центра к краю) движением воды. Осадок стекает в центральный приямок, а очищенная вода переливается по периметру
Слоистые (пластинчатые) отстойники — оснащены системой наклонных пластин, которые увеличивают площадь осаждения при компактных размерах. Взвешенные частицы оседают на наклонных поверхностях и стекают вниз
В каталоге более подробно представлен перечень нашего оборудования, а так же информация о компании
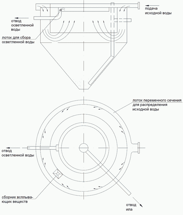
Вертикальный отстойник
это цилиндрическое устройство с коническим днищем, в которое сточная вода поступает через центральную трубу. В нём формируется оптимальное движение потока, способствующее осаждению загрязняющих веществ
Основное назначение
удаление взвешенных частиц и осветление воды на начальной стадии очистки. Такие отстойники используются как первичные, так и как часть более сложных очистных систем
В базовую комплектацию входят:
Центральная подающая труба
Водосливной лоток
Перегородки
Система сбора осадка
Гидравлическая арматура
По запросу добавляются мешалки, автоматика, теплоизоляция.
Подача сточной воды
Загрязнённая вода поступает внутрь отстойника через центральную трубу, которая опускается в нижнюю часть резервуара. Это обеспечивает равномерное распределение потока и исключает образование турбулентности
Вертикальное движение потока вверх
Под воздействием гидростатического давления вода начинает подниматься вверх по направлению к переливному лотку. Важно, чтобы скорость движения жидкости была достаточно низкой — это позволяет частицам загрязнений не увлекаться потоком, а оседать
Процесс осаждения
Пока вода движется вверх, взвешенные вещества (механические загрязнения, песок, органика) оседают под действием гравитации в коническое днище отстойника.
Отвод очищенной воды
Осветлённая вода, достигнув верха, попадает в кольцевой переливной лоток, расположенный по периметру корпуса. Оттуда она направляется на следующий этап очистки или отводится из системы
Удаление осадка
Осевший осадок стекает в центр конического дна, откуда периодически удаляется через осадкоотводящие трубы или с помощью гидравлической системы выгрузки. При повышенной нагрузке возможна установка скребкового механизма, который транспортирует осадок к выгрузочному патрубку
Монтаж включает:
подготовку основания
установку корпуса с учетом диаметра, высоты и объема
подвод и отвод труб
подключение автоматики
Монтаж может выполняться как на поверхность, так и в приямок. Срок — от 3 до 10 дней в зависимости от размеров и условий
Вертикальные отстойники изготавливаются из:
Стеклопластика — это композитный материал на основе смолы с армированием стекловолокном. Часто используется для резервуаров, канализационных и очистных конструкций
ПНД (полиэтилен низкого давления) — это прочный, химически стойкий полимер, используемый для производства резервуаров и инженерных емкостей
Стали — вертикальные отстойники могут быть выполнены из нержавеющей или углеродистой стали, часто с антикоррозийным покрытием (например, эпоксидным).
Расчет производится по гидравлической схеме и включает:
Определение расхода воды (Q, м³/ч)
Выбор скорости осаждения частиц (ω, м/с)
Расчёт поверхности осаждения по формуле
Определение высоты слоя жидкости и объёма отстойника
Учет коэффициента запаса, характера частиц, глубины слоя осадка
Выбор оптимальных размеров корпуса с учётом условий эксплуатации
Рассчитать размеры вертикального отстойника можно с использованием следующей формулы:
R = √Q / (3,6·π·k·υос)
R – радиус отстойника, м
Q – величина расхода шламовых вод, м3/ч
k – коэфф. объёмного использования (для отстойников с центральной впускной системой k принимается равным 0,35; при периферическом впуске воды, а также восходяще-нисходящем потоке k = 0,65-0,7)
υОС – быстрота осаждения загрязнений, м/с
Если используется схема с восходяще-нисходящим движением воды, полученное значение радиуса R необходимо умножить на коэффициент 1,4.
При проектировании отстойников с периферическим впуском начальный радиус не должен превышать 5 м. Для кольцевой рабочей зоны его ширина рассчитывается по формуле:
δ = R-√R² — Q/(3,6·π·υвх)
где υвх – априорная скорость входа воды в рабочую зону (принимается порядка 5-7 мм/с)
Исходя из ширины кольцевой зоны (δ), можно определить:
глубину отстойника: H = 8·δ
высоту направляющей стенки: 0,7·H
ширину отражающего кольца: 2·δ
Скорость движения воды в распределительном лотке должна находиться в пределах 0,4–0,5 мм/с
Высота перегородки в кольцевом лотке рассчитывается как 0,5·R
Допустимая удельная нагрузка на треугольный водослив составляет 6 л/(с·м)
Чаша для сбора осадка должна иметь стенки с углом наклона не менее 50°
Формулу Стокса. Применяется для ламинарного режима осаждения (число Рейнольдса (Re) менее 1,85)). В формуле учитываются диаметр частиц, плотность и ускорение свободного падения
Полуэмпирические формулы. Используются для частиц с широким диапазоном диаметров
Формулы для переходного и турбулентного режимов. Например, при переходном режиме (1,85 < Re < 500) применяют формулу Алле-на-Прандтля, при турбулентном (Re > 500) — формулу Ньютона-Риттингера
Учитывайте тип и концентрацию частиц
Важно правильно определить скорость осаждения
Не забывайте о коэффициенте запаса
Рассматривайте особенности потока: ламинарность, глубина слоя, влияние температуры
Определяйте время отстаивания с учётом максимального расхода
Рассчитывайте объём осадка, чтобы обеспечить стабильную работу между циклами выгрузки
Биологическая очистка
это процесс удаления органических загрязнений из сточных вод с использованием микроорганизмов. Эти микроорганизмы (в основном аэробные бактерии) разлагают органические вещества, содержащиеся в сточных водах, превращая их в безвредные продукты, такие как углекислый газ, воду и биомассу. Биологическая очистка применяется как на бытовых, так и на промышленных очистных сооружениях и является ключевым этапом при комплексной очистке сточных вод
Биологическая очистка, как правило, состоит из следующих этапов:
Первичная (механическая) очистка
Удаление крупных загрязнений и осаждение взвешенных веществ в первичных отстойниках
Аэрация (биореактор)
Основной этап, где сточные воды насыщаются кислородом, что способствует активной жизнедеятельности аэробных микроорганизмов. Используются аэротенки или биофильтры
Вторичный отстойник
Отделение активного ила (биомассы) от уже очищенной воды. Осевший ил частично возвращается в аэротенк (рециркуляция), остальная часть удаляется
Дополнительная (доочистка)
При необходимости сточные воды дополнительно очищаются от азота, фосфора, а также обеззараживаются (например, ультрафиолетом или хлором)
В случае всплывающих загрязнений следует предусматривать устройство сборного щита, а для обеспечения равномерности загрузки — использование смесителя реагентов. В первую очередь в расчет закладывается производительность на сутки и время отстаивания, от которых зависит объем рабочей камеры. Далее рассчитываются геометрические параметры: диаметр цилиндра, глубина отстойной секции, площадь водосборного желоба, а также выпуска очищенной воды. При этом введение реагентного блока с системой приготовления реагентов позволяет значительно увеличить эффективность осаждения мелких взвесей и тяжелых соединений.
Потери напора, вызванные неравномерностями потока, учитываются при подборе насосов — центробежных или плунжерных, в зависимости от вязкости и плотности иловой массы. Уклон отводящих трубопроводов должен обеспечивать самотечный режим при минимальных потерях. Сборные песколовки, установленные до отстойника, снижают нагрузку на систему и увеличивают интервал между промывками камер. Применение обратной промывки и автоматической системы управления позволяет сократить технического обслуживания и уменьшить занимаемую площадь установки. Для обеспечения надежной работы может быть предусмотрена вспомогательная секция с загрузкой реагентов и дозой, рассчитанной исходя из состава сточных вод
Рекомендуется не менее двух отстойников (рабочий + резервный). При больших расходах количество определяется исходя из максимальной нагрузки
СНиП 2.04.03-85 (Канализация. Наружные сети и сооружения) СП 32.13330.2018 (Актуализированная версия СНиП) Методические указания по расчету очистных сооружений

